







Минск
Обновлено 20 марта, 10:46
UP 29 дней назад
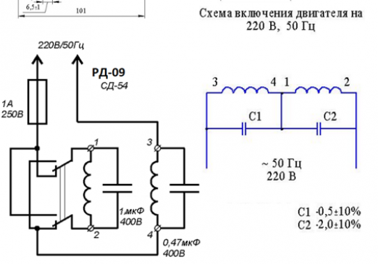
Несмотря на шильдик который многих отпугивает где напряжение 127В подключается он на 220В. Только требуется два конденсатора 1-2 мкф подбирается в зависимости от нагрузки и температуры корпуса и 0.5 мкф. 450-630 вТехнические характеристики:ПараметрЗначениеНоминальное напряжение питания127 ВЧастота питающего напряжения50;60 ГцЧастота вращения выходного вала редуктора1,75 об/минПусковой момент на выходном валу редуктора (в зависимости от редукции)1,27 Н·мРедукция1/670
Использование сайта Beruki.by означает согласие с Пользовательским соглашением и Политикой конфиденциальности. Режим работы: 10.00 - 18.00, Пн-Пт.

Сайт beruki.by собирает неперсонифицированные данные о пользователях посредством cookies-файлов, чтобы оказывать услуги с высокой степенью качества. Продолжая пользоваться сайтом, Вы соглашаетесь с Политикой конфиденциальности и Политикой использования cookies.

